Навигация
· Главная
· Архив новостей
· Лаборатория
· Личные сообщения
· Личный кабинет
· О нас
· Пользователи
· Справочник
· Статьи
· Форум
· Школа
· Энциклопедия

Irbislab.ru :: Просмотр темы - Замечательные поделки
 FAQFAQ   ПоискПоиск   ГруппыГруппы   ПрофильПрофиль  Войти и проверить личные сообщенияВойти и проверить личные сообщения   ВходВход 

Замечательные поделки
На страницу 1, 2  След.
 
Начать новую тему   Ответить на тему    Список форумов Irbislab.ru -> Усилители мощности, музыкальные центры и другая аудиоаппаратура
Предыдущая тема :: Следующая тема  
Автор Сообщение
Turbid
Кадет
Кадет


Зарегистрирован: Jan 25, 2009
Сообщения: 61

СообщениеДобавлено: Вс Янв 25, 2009 04:26:17    Заголовок сообщения: Замечательные поделки Ответить с цитатой

Здравствуйте.
Расскажу одну историю.
Захотелось мне значит соорудить усилитель с микроконтроллерным управлением. А поскольку для меня что МК что таракан один черт. Было решено купить конструктор и не парится с этим делом. Ну что, конструктор любой дурак соберет, но только не я, я похоже конченный дебил.
Ну а теперь собсно о том как все было.
Заказал конструктор, мне его прислали. Вскрыл его, и увидел собсно, вот ссылка на то что я увидел http://www.qrz.ru/schemes/contribute/amplifiers/tea6300/
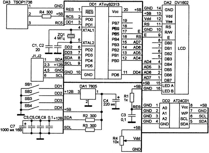
Вот схема подключения ЖК модуля к МК

Обращаем внимание на то как ЖК подключен к МК. Заметили да?
ЖК модуль стандартный, перекачал кучу даташитов. Смотрел во многих местах. Распиновка на модуль ЖК везде одинаковая.
Вот собсно как они подключаются:

Это по даташиту.
А по схеме получается на ножки 1 2 3 4 идут провода передачи данных! А на ножки данных идет питание контрастность и тд.
Вот еще... Тот же аффтар кстати.

Вот подскажите, если по схеме, то как может быть что на ножки питания идут ножки передачи данных, а на ножки данных идут ножки питания?
Вот и фотка распаянного ЖК модуля, тоже можно увидеть что распаяно как на схеме, а не как в ДШ на ЖК модуль.

Сразу я когда собирал озадачился этим делом, но все-же подключил ЖК модуль как по ДШ. Когда сия байда у меня незапустилась, я попробовал чем черт не шутит подключить так как на схеме индикатор, тоже самое, 0 на массу.
А теперь вопрос, мне лечится надо или нет?
Вернуться к началу
Посмотреть профиль Отправить личное сообщение
ooogo
Кадет
Кадет


Зарегистрирован: Jan 20, 2009
Сообщения: 101

СообщениеДобавлено: Вс Янв 25, 2009 10:21:51    Заголовок сообщения: Ответить с цитатой

Я так понял, что загвоздка в распиновки ЖК? Может быть Вам прислали не именно такой ЖК (DV1602)?? Братья наши Китайцы много модификаций на контроллере HD44780 делают и у них разная распиновка! Как подключать принцип, вот тут. А вообще после подачи питания и смещения для контрастности(с неподключенной линией данных), ЖК переходит в режим развертки первой строки, покрутив резистор контрастности Вы должны увидеть знакоместы(прямоугольники по размеру символов, помоему 5х8 пикселей) в первой строке, вторая строка должна остаться прозрачной! Если это не так, то либо Вы не правильно подключили ЖК либо он не рабочий!
_________________
Настоящий ученый никогда не отрицает невозможное!
Вернуться к началу
Посмотреть профиль Отправить личное сообщение
Turbid
Кадет
Кадет


Зарегистрирован: Jan 25, 2009
Сообщения: 61

СообщениеДобавлено: Вс Янв 25, 2009 16:59:18    Заголовок сообщения: Ответить с цитатой

ooogo писал(а):
Я так понял, что загвоздка в распиновки ЖК? Может быть Вам прислали не именно такой ЖК (DV1602)??
Здравствуйте!
В том то и дело, что ЖК тот который надо. И распиновка соответствует ДШ, и тому что вы привели по ссылке. Вы посмотрите на схему!!! И скажите, я болен или нет. Нашел несколько схем этого усилителя, и везде одно и тоже. Я и фотку привел специально!!!! На фотке тоже можете заметить что ноги 5 и 6 никуда не подключены!!! Как такое может быть?
Короче, подключал я модуль ЖК совсем без МК. Выдает примерно такое: Смотрите картинку ниже.
Извините, фотоаппарата нетуSad Если подключить без МК тобишь питание только подать, то при прикосновении к ножкам.... Собсно не важно к каким, к дата или ножкам питания, выдает ЖК мусор на экран. На ножках дата ЖК присутствует напряжение питания, при подключенном МК.
Вообще вот напряжения питания относительно земли, (тоже при подключенном МК) "минуса питания"
1. 0В Земля. 2 +4.86 напряжение питания, так и должно быть. 3 контрастность 0.04В. 4 напряжение питания. 5 0В. 6 0В. (11 12 13 14 это датаноги) напряжение питания.
Собсно мне что было интересно, вы поглядите на фото, как там распаяно!!! И на дисплее написано "Новая техника. Стереотемброблок" Вот и скажите мне что это за лажа? Как такое может быть. Я конечно в цифровой технике непонимаю ничего... Но как может на ноги питания идти информация, а на ножки информации идти напряжение питания и контрастность, и ноги все остальные.
Если внимательно посмотрите на схему, и на распиновку ЖК, то поймете о чем я.
Кроме мультиметра измерительных приборов у меня нету. Этоо я предупреждаю дальнейшие вопросы.
Вернуться к началу
Посмотреть профиль Отправить личное сообщение
ooogo
Кадет
Кадет


Зарегистрирован: Jan 20, 2009
Сообщения: 101

СообщениеДобавлено: Вс Янв 25, 2009 19:20:44    Заголовок сообщения: Ответить с цитатой

Опять же напомню Вам про наших братьев меньших Китайцах Smile Кто его знает что они там сфоткали!? Я бы не стал доверять фотографии если бы был точно уверен что у меня в руках даташит именно на мой ЖК, а подключал согласно названий ножек. К примеру у меня стоит WH1602 помоему с буквой "Н" на конце, так вот от обычного WH1602(без буквы на конце) он отличаеться тем, что ножки "+" питания и земля переставлены наоборот Laughing , тоже помню долго искал причину почему не работает! Согласен, что если принят, что на фото именно DV1602, и таблицу с даташита, то получаеться не стыковка Wink Поэтому еще раз напомню Вам про Китайцев, и посоветую убедиться, что даташит именно на Ваш ЖК. Прикрепил фотку, как выглядит ЖК при правильной подачи питания и напряжения контрастности, без линии данных! Если у Вас такая же картина значит питание подано туда куда надо и ЖК скорей всего работает нормально, ошибку надо искать в другом месте!
_________________
Настоящий ученый никогда не отрицает невозможное!
Вернуться к началу
Посмотреть профиль Отправить личное сообщение
VoLT
Кадет
Кадет


Зарегистрирован: Jun 12, 2008
Сообщения: 65

СообщениеДобавлено: Пн Янв 26, 2009 04:19:55    Заголовок сообщения: Ответить с цитатой

Большое количество информации по LCD дисплеям http://mastermods.modder.ru/lcd.htm может кому сгодится .. распайки есть
Вернуться к началу
Посмотреть профиль Отправить личное сообщение
FOLKSDOICH
Кадет
Кадет


Зарегистрирован: Jul 23, 2008
Сообщения: 71
Откуда: Моск. обл.

СообщениеДобавлено: Пн Янв 26, 2009 11:22:31    Заголовок сообщения: Ответить с цитатой

Я тоже покупал подобный набор и такая же хрень была с индикатором. Хорошо ещё, что сразу обратил внимание на подключение индикатора, т.к. имел с ними дело. Правильное подключение подписал на схеме. А вообще - гавно набор.
Вернуться к началу
Посмотреть профиль Отправить личное сообщение
Turbid
Кадет
Кадет


Зарегистрирован: Jan 25, 2009
Сообщения: 61

СообщениеДобавлено: Пн Янв 26, 2009 12:48:42    Заголовок сообщения: Ответить с цитатой

FOLKSDOICH писал(а):
Я тоже покупал подобный набор и такая же хрень была с индикатором.
Вот я так и подключил! Как вы подписали. Именно такая распиновка в ДШ.
VoLT писал(а):
Большое количество информации по LCD дисплеям http://mastermods.modder.ru/lcd.htm может кому сгодится .. распайки есть
Спасибо за ссылку. Был я там, еще раньше. Я перелопатил кучу всего, прежде чем прийти на форум.
ooogo, а индикатор должен выдать полосу при подключении всего-лишь питания? Просто я читал как подключить к LPT порту ЖК. Тоесть я так понял надо задействовать датаножки тоже, а не всего лишь питание подать.
В общем то вы мне очень помогли Smile Теперь я вижу что все делал правильно. А вот почему эта погань не завелась... Причин походу дела может быть километр. Так что закину эту фигню в дальний угол.
Вернуться к началу
Посмотреть профиль Отправить личное сообщение
ooogo
Кадет
Кадет


Зарегистрирован: Jan 20, 2009
Сообщения: 101

СообщениеДобавлено: Пн Янв 26, 2009 14:04:21    Заголовок сообщения: Ответить с цитатой

Цитата:
а индикатор должен выдать полосу при подключении всего-лишь питания?
Питание и контрасность, т.е . по даташиту это 1,2,3 ножки, на 3 ножку подаеться напряжения с движка R4 по вашей схеме и вращением движка вы должны наблюдать изменение контрастности.
_________________
Настоящий ученый никогда не отрицает невозможное!
Вернуться к началу
Посмотреть профиль Отправить личное сообщение
Turbid
Кадет
Кадет


Зарегистрирован: Jan 25, 2009
Сообщения: 61

СообщениеДобавлено: Пн Янв 26, 2009 15:46:15    Заголовок сообщения: Ответить с цитатой

Тоесть получается ЖК модуль нерабочий Sad Если вытащить МК и eeprom с платы, и подать питание на этот блок. То на ЖК только подсветка и работает. Ну и на картинке сами видите что. Смотите картинку выше. В пайнте рисовал.
Причем на дисплей выдается то что на картинке только когда контрастность сидит на земле, выкручиваешь переменник когда на землю в смысле. А вот если прибавить чуток на плюс контрастность, то сразу все исчезает.
Вернуться к началу
Посмотреть профиль Отправить личное сообщение
ooogo
Кадет
Кадет


Зарегистрирован: Jan 20, 2009
Сообщения: 101

СообщениеДобавлено: Пн Янв 26, 2009 17:09:57    Заголовок сообщения: Ответить с цитатой

Цитата:
Причем на дисплей выдается то что на картинке только когда контрастность сидит на земле, выкручиваешь переменник когда на землю в смысле. А вот если прибавить чуток на плюс контрастность, то сразу все исчезает.
Все правильно, когда я делал фотку я вывернул движок резистора почти на землю. Должна быть видна только первая строка! Вопрос не в тему, у вас на телефоне фотоаппарата тоже нет? Это я к тому что лучше один раз увидеть чем десять раз прочитать! Very Happy
_________________
Настоящий ученый никогда не отрицает невозможное!
Вернуться к началу
Посмотреть профиль Отправить личное сообщение
Turbid
Кадет
Кадет


Зарегистрирован: Jan 25, 2009
Сообщения: 61

СообщениеДобавлено: Пн Янв 26, 2009 18:00:55    Заголовок сообщения: Ответить с цитатой

ooogo писал(а):
Вопрос не в тему, у вас на телефоне фотоаппарата тоже нет?
У меня и мобильника нет.
А что выдает индикатор смотрите третий пост. Нарисовал я похоже.
Тоесть в верхней строке восемь кубиков светятся, и в нижней восемь по половинке.
Похоже забить на это дело надо. Осциллографа у меня нету. А так можно только гадать что там может быть. Может и МК чистый, может еще что, вариантов дофига. Буду юзать аналог. Усилитель то у меня есть, сам собирал. Хотел просто сделать что-бы с пульта ду можно было пользоваться. Видимо не судьба. Просто напросто больше не буду ничего покупать в инете.
Извините за оффтоп.
Вернуться к началу
Посмотреть профиль Отправить личное сообщение
ooogo
Кадет
Кадет


Зарегистрирован: Jan 20, 2009
Сообщения: 101

СообщениеДобавлено: Пн Янв 26, 2009 22:13:54    Заголовок сообщения: Ответить с цитатой

На самом деле с пульта, да еще и с индикатором - помоему прикольно! Cool Это я к тому, что рано лапки складываете! если так как вы нарисовали, то наверное, что то с индикатором не так. Найдите знакомого у которого был бы заведомо работающий индикатор, и подключите его к своей плате согласно даташита, главное "+" с "-" не перепутать Wink , а все остальное ерунда, или же наоборот отнесите свой индикатор на проверку Exclamation Если окажетесь в Воронеже готов помочь! Laughing
_________________
Настоящий ученый никогда не отрицает невозможное!
Вернуться к началу
Посмотреть профиль Отправить личное сообщение
FOLKSDOICH
Кадет
Кадет


Зарегистрирован: Jul 23, 2008
Сообщения: 71
Откуда: Моск. обл.

СообщениеДобавлено: Пн Янв 26, 2009 22:52:10    Заголовок сообщения: Ответить с цитатой

Что вы всё про индикатор. А остальное то как, работает? Звуковой процессор с УНЧ пробовал?
Вернуться к началу
Посмотреть профиль Отправить личное сообщение
Turbid
Кадет
Кадет


Зарегистрирован: Jan 25, 2009
Сообщения: 61

СообщениеДобавлено: Вт Янв 27, 2009 01:05:58    Заголовок сообщения: Ответить с цитатой

FOLKSDOICH писал(а):
Что вы всё про индикатор. А остальное то как, работает? Звуковой процессор с УНЧ пробовал?
Вот именно, неработает тоже. Тоесть узнал я кнопки какие где. По умолчанию усь должен переходить в режим регулировки громкости. Подключал я без ЖК аудиопроцессор к МК, сам усь этот я даже не паял. А подавал с аудиопроцессора на вход своего усилителя. Неработает. Усилитель у меня естественно рабочий, гоняю его постоянно.
А на счет проверить ЖК так не к кому обратится Sad А поскольку возможно МК нерабочий, то и покупать новый ЖК как-то неохота. При всем при том что МК прошитый мне недостать. Только заказывать... Опять таки у кого? У них, да пошли они подальше. Я на этот лохотрон больше непойду.
А если подумать что я там неправильно что-то подключил, то этого неможет быть. Я прежде чем подать питание все проверил и перепроверил, прозвонил тестером все связи. Потом подал питание, проверил что-бы питание было в порядке и шло все туда куда нужно. А уже только после этого воткнул в панели микросхемы.
Да и заблудится тут невозможно, все равно что в трех соснах. Понимаю если бы я печатную плату делал сам, да где-то что-то напутал, так бывает. А тут то ПП готовая. Пайка аккуратная, ни соплей ни непропая нет.
Кстати ЖК то я мог спалить. Уже писал вроде. Когда не заработало с подключением по ДШ, я подключил как на схеме, подумал так, а вдруг... Просто в цифре этой я неразбираюсь абсолютно. Вот и попробовал. Но если как по схеме, то ессно индикатор не реагирует совсем. А вот как по ДШ подключение, то хоть что-то показывает.
На пинах SDA SCL присутствует напряжение питания. И если нажимать на кнопки, то потребление тока в момент нажатия возрастает, независимо на какую кнопку нажимать.
Без осциллографа пожалуй тут делать нечего. Мультиметром ничего не засечь. Crying or Very sad
Опять на оффтопил я. Уж извиняйте. Просто стараюсь что-бы было понятно что я и как делал.
Вернуться к началу
Посмотреть профиль Отправить личное сообщение
ИРБИС
Администратор
Администратор


Зарегистрирован: Oct 02, 2007
Сообщения: 2117
Откуда: Cтрана скал и снегов...

СообщениеДобавлено: Вт Янв 27, 2009 06:00:56    Заголовок сообщения: Ответить с цитатой

Не думаю, что можно спалить цифровое устройство пятью вольтами. Разве что попадет на какой p-n переход без ограничения по току...

Позволю себе немножко оффтопа: автор-то статьи по ссылке (и похоже, сей девайсины) уже запятнал себя весьма нехорошими делами на РадиоКоте весной прошлого года – это видели очень многие, а некоторые таки попались на его удочку... Sad

_________________
А ещё называют его “кар кечкен ильбирс”, что означает — “по грудь идущий в снегу”…
© Чингиз Айтматов "Когда падают горы (Вечная невеста)"
Вернуться к началу
Посмотреть профиль Отправить личное сообщение Отправить e-mail Посетить сайт автора
Показать сообщения:   
Начать новую тему   Ответить на тему    Список форумов Irbislab.ru -> Усилители мощности, музыкальные центры и другая аудиоаппаратура Часовой пояс: GMT + 3
На страницу 1, 2  След.
Страница 1 из 2

 
Перейти:  
Вы не можете начинать темы
Вы не можете отвечать на сообщения
Вы не можете редактировать свои сообщения
Вы не можете удалять свои сообщения
Вы не можете голосовать в опросах
Вы не можете вкладывать файлы
Вы не можете скачивать файлы


Powered by phpBB © 2001-2003 phpBB Group




Web-ring: электроника, электронные компоненты и приборы
rand prev next

ChipFind: поисковая система по поставщикам радиокомпонентов Rambler\'s Top100 Рейтинг@Mail.ru


Сайт оптимизирован для отображения в браузере Mozilla Firefox версии 2 и выше с разрешением 1024*768 точек и выше.

При неполадках с отображением кнопок, обновите проигрыватель Macromedia Flash.

PHP-Nuke Copyright © 2005 by Francisco Burzi. This is free software, and you may redistribute it under the GPL. PHP-Nuke comes with absolutely no warranty, for details, see the license.

Открытие страницы: 0.14 секунды
The Russian localization - project Rus-PhpNuke.com